近日,浙江师范大学物理与电子信息工程学院Emmanuel Kengne教授作为第一作者和通讯作者的120多页的综述论文“Ginzbug-Landau models of nonlinear electric transmission networks”在物理学顶级期刊Physics Reports发表。浙师大为第一单位、通讯作者单位。
在非线性物理和统计物理学方面,特别是在非线性传输网络 (NLTNs) 方面,Emmanuel Kengne教授与物理所的刘伍明教授、以色列Tel Aviv大学的Boris A. Molomed教授和美国Dickinson学院的Lars Q. English教授合作,在非线性电力传输网络的复Ginzburg-Landau方程的求解中取得了一些有趣而重要的成果。

图1: (a) 最简单的电气传输线的例子:同轴电缆;(b) 同轴电缆的离散模型由块状电感和电容的晶格表示;(c) 从晶格的一端发射一个短脉冲,在沿着网络的单元中产生显示的信号模式;(d) 如果电容器被替换成具有相同零电压电容的变容二极管,脉冲就会变成孤子。

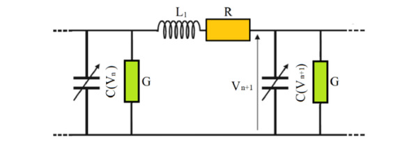
图2: 由电阻R、电感L、电容C组成的RLC离散非线性电力传输网络。这是其中一个单元的示意图

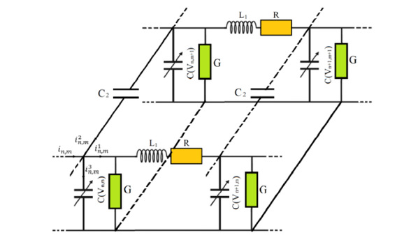
图3: 由线性电容C2连接的多耦合耗散型NLTN的一个片段
这项工作从调研无损和耗散的电力传输网络中调制孤子的动力学实验结果开始,其中电力传输网络中非线性的物理来源得以阐明,并进一步考虑了单一和多耦合传输网络情况。在这项工作中研究的源于NLTN的非线性模型包括保守和耗散的非线性薛定谔方程、三阶和三-五阶复Ginzburg-Landau方程,以及它们的推广如Kundu-Eckhaus方程和广义的Chen-Lee-Liu方程,这些模型为电力网络中的非线性波模式的传播提供了各种精确的和数值的解决方案,包括潮汐波、亮孤子和暗孤子、扭结、Rogue波和啁啾的Lambert波。
文章基于不同于复Ginzburg-Landau类型方程的模型,还回顾了行波在多耦合电网络中传播的分形。

图4: 多重耦合的NLGN分形的相位图
在超冷原子物理方面,Emmanuel Kengne教授与刘伍明教授、Boris A. Molomed教授在物质波孤子的非线性操纵研究方面也取得了进展,并以“Spatiotemporal engineering of matter-wave solitons in Bose-Einstein condensates”为题的综述文章形式发表在Physics Reports 899, 1-62 (2021).
Physics Reports是物理学界久负盛名、最具影响力的国际综述性期刊之一,最新SCI影响因子为20.099。该刊每期只发表一篇论文,由杂志编委邀约在各研究方向做出突出贡献的专家学者撰稿,对相关领域的发展具有重要的引领和指导作用。
Emmanuel Kengne教授,2019年12月入职浙师大物理与电子信息工程学院物理系,在数学物理偏微分方程适定性边值问题理论、非线性系统中Rogue物质波的时空操控等领域做出了重要贡献。
编辑:姜雯静

